Офис
220073, г. Минск, ул. Бирюзова, д. 10а, пом. 10, к. 68
Склад
г. Минск, ул. Бирюзова, д. 10 корпус 5
Пн-Пт: 8:30-17:00
Офис
220073, г. Минск, ул. Бирюзова, д. 10а, пом. 10, к. 68
Склад
г. Минск, ул. Бирюзова, д. 10 корпус 3
Чтобы узнать стоимость или оформить заказ, оставьте заявку и мы свяжемся с вами.
Доступные цены
Быстрая доставка
Гибкая система скидок
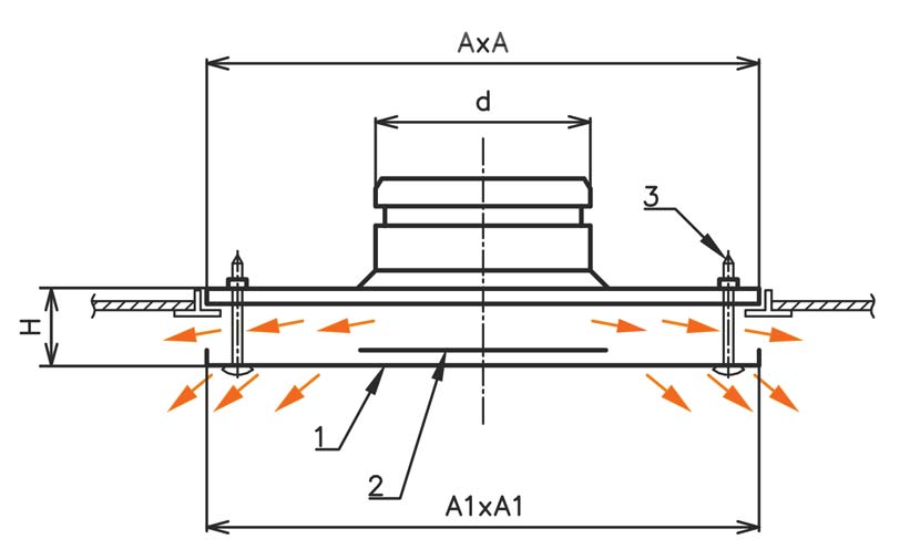
Приточно-вытяжные диффузоры моделей ППД1 и ППД2. Конструкция включает переднюю панель с перфорацией и муфту для соединения, оснащенную резиновым уплотнителем. Изделия характеризуются повышенной эжекционной способностью, обеспечивающей предельно возможный перепад температур ΔТ на уровне 10 °C. Установка производится в подвесные потолки системы «Армстронг» и другие аналогичные, в зданиях любого функционального назначения.
Корпус выполнен из черной стали с белым полимерным покрытием (RAL 9016). Доступна окраска в любой цвет согласно палитре RAL.
Установка. Монтаж диффузоров осуществляется прямо на воздуховод или на присоединительный узел УП6 с фиксацией заклепками. При использовании узла УП6 необходим прямой участок воздуховода до него длиной, равной четырем его диаметрам. Съемные лицевые панели упрощают процесс монтажа и открывают легкий доступ к воздуховодной сети.
Преимущества для клиента:
Гибкая ценовая политика и возможность отсрочки платежа.

1 — Перфорированная панель; 2 — Рассекатель; 3 — Винт регулировки высоты Н; 4 — Винт крепления лицевой панели.

Другие товары из каталога
Перфорированные потолочные диффузоры ППД1 и ППД2